+36 30 487 9066

info@met-industry.hu

Thermometer in Steel Sheet Case for Front Panel Mounting with 3-Hole Front Flange

Leitenberger hőmérő 3-lyukú peremmel, előlapi rögzítésre optimalizálva. Robusztus kivitel műhelyekbe, megbízható hőmérséklet ellenőrzés.

Description

Additional information

Thermometer in Steel Sheet Case for Front Panel Mounting with 3-Hole Front Flange

Ez a részletes termékleírás a Leitenberger MRT 02.38-as cikkszámú, bimetál kompenzáció nélküli, előlapi rögzítésre tervezett hőmérőt mutatja be, amelyet acéllemez tokba építettek. Ez a mérőműszer kiváló választás olyan ipari és technikai alkalmazásokhoz, ahol pontos hőmérsékletmérésre van szükség, és a műszert előlapra kell rögzíteni.

General Description and Key Features

A 02.38 típusú hőmérő a bimetál kompenzáció nélküli hőmérők kategóriájába tartozik, ami azt jelenti, hogy a mérés kizárólag a beépített érzékelőn alapul, külső környezeti hatások (pl. a csatlakozó vezeték hőmérséklete) kompenzálása nélkül történik. Ez a kialakítás biztosítja a megbízható és stabil mérést a meghatározott tartományon belül.

A készülék főbb jellemzői közé tartozik a precíz, ± 2%-os pontosság and hátsó beállítási lehetőség, amely megkönnyíti a kalibrálást és a finomhangolást a telepítés után. A kiváló minőségű anyaghasználat garantálja a hosszú élettartamot és a megbízható működést.

Construction Details
  • Tok (Ház): Korrózióvédelemmel ellátott acéllemez tok biztosítja a mechanikai stabilitást és ellenáll a kedvezőtlen környezeti hatásoknak.

  • Window: Standard kivitelben üveg biztosítja a leolvasást. Opcionálisan a 1100 F/f típusnál MAKROLON® (polikarbonát) ablak is választható, amely nagyobb ütésállóságot és tartósságot nyújt.

  • Előlapi Perem (Flange): A rögzítést egy 3-lyukú előlapi perem teszi lehetővé. Ez a perem választható polírozott INOX (rozsdamentes acél) vagy chrome-plated kivitelben, amely esztétikus megjelenést kölcsönöz a műszernek.

Optional Accessories and Customization Options

A Leitenberger rugalmas megoldásokat kínál a felhasználói igények kielégítésére, az alábbi opciók rendelhetők a hőmérőhöz:

  • Drag Pointer: Egy kiegészítő mutató, amely követi a mérési értéket, és a maximális vagy minimális hőmérséklet rögzítésére szolgál, mielőtt manuálisan visszaállítanák.

  • Egyedi Skála és Színes Jelölések: Lehetőség van egyedi méretezésű számlapok kialakítására, valamint a skálán színes zónák (pl. figyelmeztető vagy kritikus tartományok jelölésére) alkalmazására.

  • Plexiglass: Alternatíva az üveg vagy MAKROLON® ablak helyett, speciális igények esetén.

Műszaki Adatok és Típusválaszték

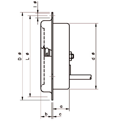
The thermometer is available in various sizes and designs, which can be selected depending on the installation depth and the required dial diameter. The table below summarizes the dimensions of the main types (dimensions are in millimeters):

Típus a (Installation depth) b (Flange thickness) c (Flange thickness) d (Sensor connection) D (Dial diameter) I (Installation depth) L (Total length)
1052 F/f 24 3,5 3 55 80 4,2 74
1060 F/f 15 9 0,5 60 80 4,2 74
1080 F/f 13 12 0,5 80 105 4,2 96
1100 F/f 30 8 0,75 102 132 4,5 116

Note: The parameters ‘a’, ‘b’, ‘c’, ‘d’, ‘D’, ‘I’, and ‘L’ listed in the table define the physical dimensions and mounting points of the thermometer, which are critical for proper installation.

Application Areas

Bimetallic thermometers without compensation, suitable for front panel mounting, are ideal for systems where the temperature needs to be measured directly in the medium under test or in the housing, and the instrument needs to be aesthetically integrated into the control surface.

Typical application areas:

  1. Refrigeration and HVAC Technology: Monitoring the temperature in cold rooms, air handling units, and industrial refrigeration equipment.

  2. Industrial Mechanical Engineering: Checking the temperature of production lines, heat treatment processes, and machinery.

  3. Industrial Testing Technology: Precise tracking of temperature conditions during various testing procedures.

  4. Mechanical Engineering: Installation in control panels of large machinery, where the 3-hole front mounting is advantageous.

Quality and Manufacturing

The product belongs to the „Made in Germany” manufactured with a quality guarantee that reflects the precision and reliability of Leitenberger Mess- und Regeltechnik GmbH. Strict quality control procedures ensure that every instrument meets high industrial standards.

Related Accessories

To maximize measurement accuracy and system reliability, several accessories are also available for the thermometer, which can be selected depending on the nature of the measurement:

  • Flexible Tubes (Capillaries): Capillaries of various materials and designs are available for the connection between the thermometer and the sensor (thermowell):

  • Stainless steel (V-Stahl) – Natural finish.

  • Copper (Cooper) – Coated with single or double copper braid for increased mechanical protection.

  • Copper – PVC coated (Cu-PVC coated) for enhanced insulation and protection.

  • Temperature Probes (Probes): Various types and designs of probes are available (Type 1: 1a, 1b, 1c; Type 2: 2a, 2b, 2c; Type 3: 3a, 3b, 3c; Type 4: 4a, 4b, 4c), adaptable to the installation depth and measuring environment.

This thermometer offers an ideal solution for professional temperature measurement, combining German engineering precision with flexible installation options.

Related products

Capillary Cooper- Single Cooper Braided

Hand Transfilling Pump with Double Connector

Smart Pressure Gate with Fan Control - 4..20 mA

Manuell Barell Pump Made of Aluminium

Thermometer in Steel Sheet Case for Surface Mounting with Back Flange

Electric solar maintenance pump

Thermometer in Steel Sheet Case for Surface Mounting with Back Flange

Probe Type 6

Thermometer in ABS Case - Square Shape - for Front Panel Mounting with U-Clamp