+36 30 487 9066

info@met-industry.hu

ALU fúvókák | Ø 1.2 mm | 10 db-os kiszerelés

Professzionális ALU porvédő fúvókák MIG/MAG hegesztéshez, 1.2 mm átmérővel, 10 darabos kiszerelésben. Kiváló minőségű alumínium hegesztési kiegészítő.

Leírás

További információk

ALU Porvédő Fúvóka | Ø 1.2 mm | 10 db-os Kiszerelés

Ez a termék a Wieländer+Schill professzionális hegesztéstechnikai kínálatának része, kifejezetten az alumínium MIG/MAG hegesztési folyamatokhoz optimalizált, kiváló minőségű fogyóalkatrész. A nagy teljesítményű és megbízható hegesztési munkák elvégzéséhez elengedhetetlen tartozék, amely garantálja az optimális áramvezetést és a védőgáz precíz áramlását.

Termékleírás és Alkalmazás

Ez a nagy pontosságú érintkező fúvóka (kontaktfúvóka) alumínium hegesztéshez készült, és CuCrZr (Réz-Króm-Cirkónium) ötvözetből gyártották. Ez az anyag kiváló hővezető képességgel és magas kopásállósággal rendelkezik, ami kritikus fontosságú az alumínium hegesztése során fellépő magas hőterhelés és a gyors fogyás minimalizálása érdekében.

A fúvóka kifejezetten az SBT 307 G típusú hegesztőpisztolyokhoz lett tervezve és kompatibilis. A 1.2 mm-es furatátmérő ideális a vékonyabb és közepes vastagságú alumínium lemezek precíz hegesztéséhez, biztosítva a stabil ívet és a megfelelő védőgázellátást.

A termék 10 darabos kiszerelésben kerül forgalomba, biztosítva a hosszú távú, zavartalan munkavégzést a műhelyben.

Műszaki Adatok és Specifikációk

A precíz hegesztési paraméterek eléréséhez elengedhetetlen a megfelelő tartozékok használata. Az alábbi táblázat részletezi az ALU porvédő fúvóka kulcsfontosságú technikai jellemzőit:

Jellemző Érték Megjegyzés
Termék Megnevezés ALU porvédő fúvóka Kontaktfúvóka alumínium hegesztéshez
Cikkszám 337117 A könnyű beazonosítás érdekében
Anyag CuCrZr (Réz-Króm-Cirkónium) Kiváló hővezetés és tartósság
Fúvóka Átmérő (Belső) 1.2 mm Ideális vékonyabb anyagokhoz
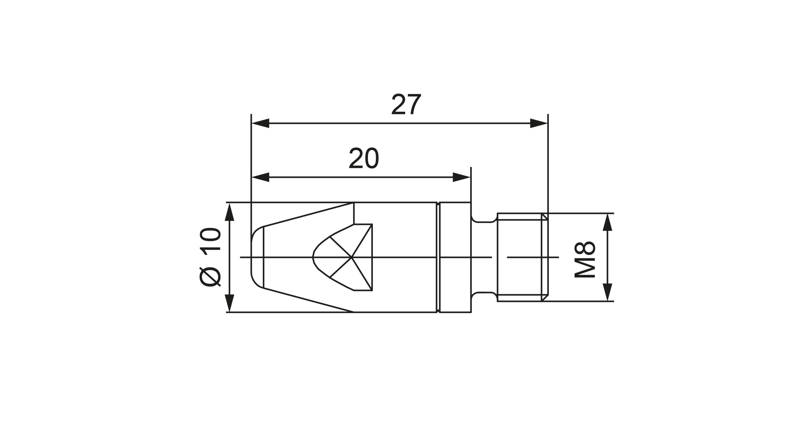
Menet M8 Standard menethossz a pisztolyhoz
Menet Hosszúsága 27 mm A rögzítés mélysége
Teljes Hossz 27 mm A fúvóka teljes hossza
Szélesség 8 mm A fúvóka külső átmérőjének egy része
Magasság 6 mm A fúvóka teljes magassága
Kompatibilis Hegesztőpisztoly SBT 307 G Kizárólag ehhez a típushoz ajánlott
Kiszerelés 10 darab Gazdaságos csomagolás
Alkalmazási terület Gázpajzsos ívhegesztés (MIG/MAG) Alumínium hegesztés

A CuCrZr Anyag Előnyei Alumínium Hegesztésnél

Az alumínium hegesztése speciális kihívásokat rejt magában, elsősorban a magas hővezetés és az elektróda gyors kopása miatt. A hagyományos rézötvözetekkel szemben a CuCrZr (Réz-Króm-Cirkónium) anyagból készült fúvókák jelentős előnyöket kínálnak:

  1. Hőállóság és Hővezetés: A CuCrZr ötvözet kiválóan vezeti el a hegesztés során keletkező hőt a pisztoly testétől, megelőzve a fúvóka idő előtti lágyulását és deformálódását. Ez stabilabbá teszi az ívet.

  2. Kopásállóság: A hozzáadott króm és cirkónium növeli az anyag keménységét és ellenállását a szikrázás és az olvadék visszacsapódása okozta eróziónak. Ez hosszabb élettartamot eredményez, csökkentve a karbantartási és csereintervallumokat.

  3. Ívstabilitás: A tiszta, pontos furatméret (1.2 mm) biztosítja a védőgáz (általában argon) egyenletes és lamináris áramlását a hegesztési zóna körül, ami elengedhetetlen a kiváló minőségű, pórusmentes alumínium kötéshez.

Kompatibilitás és Integráció

Ez a fúvóka szerves része a Wieländer+Schill hegesztéstechnikai rendszereinek. Az SBT 307 G pisztolyhoz való tökéletes illeszkedés garantálja a gyors és egyszerű cserét, valamint a maximális biztonságot a munkavégzés során. A szabványos M8 x 27 mm menethossz biztosítja a megbízható rögzítést a pisztolyban, megakadályozva a lazaságot vagy a túlmelegedést a menet mentén.

A 1.2 mm-es huzalátmérővel való használat optimális áramlási sebességet tesz lehetővé, ami különösen fontos a vékonyabb alumínium profilok hegesztésekor, ahol a túlzott hőbevitel könnyen anyagátfúvódáshoz vezethet.

Minőségbiztosítás

A Wieländer+Schill termékek megfelelnek a legmagasabb ipari szabványoknak. A gyártási folyamatokat szigorú minőségellenőrzés kíséri, ami biztosítja, hogy minden egyes fúvóka megfeleljen a megadott precíziós előírásoknak. A vállalat ISO 9001 (Minőségirányítás) és ISO 14001 (Környezetközpontú Irányítás) tanúsítványokkal rendelkezik, ami a termékminőség és a fenntartható gyártási gyakorlat iránti elkötelezettséget tükrözi.

Ez az ALU fúvóka ideális választás autóipari karosszéria javítóműhelyek, fémmegmunkáló üzemek és minden olyan szakember számára, aki megbízható, tartós és precíz hegesztési megoldásokat keres alumínium munkákhoz.

Kapcsolódó termékek

K3 | Lyukasztó Szerszám | Ø 8 mm

Részecskeszűrő | Filtoo

Elektróda 35 mm | PU: 4 db

Szívókorong vezetőgyűrűvel | Ø 150 mm | 1 db

Védőponyva készlet | 3 részes

T7 | Záró szerszám önfúró szegecsekhez (SPR)

Bi-Puller | Dent-lehúzó Karom | 9-ágú

120°-os Süllyesztő Kúpos Maró mélységállítóval és vezetőcsappal

VAS 881 003/5 Prémium Csiszolószalag K60