+36 30 487 9066

info@met-industry.hu

Hőmérő ABS Tokban – Négyzetes Kialakítás – Előlapi Rögzítéshez U-Bilincssel

Négyzetes ABS tokos Leitenberger hőmérő U-bilincses előlapi rögzítéssel. Megbízható műszeripari hőmérséklet-kijelzés.

Leírás

További információk

Hőmérő ABS Tokban – Négyzetes Kialakítás – Előlapi Rögzítéshez U-Bilincssel

Ez a részletes termékleírás a Leitenberger MRT 02.07-es cikkszámú, bimetál kompenzációval ellátott, előlapi rögzítésre tervezett hőmérőjét mutatja be, amely ideális ipari és hűtési alkalmazásokhoz. A kiváló minőségű német gyártás (Quality made in Germany) garantálja a megbízhatóságot és a precíz mérést.

Általános Leírás és Főbb Jellemzők

Ez a robusztus kialakítású hőmérő bimetál kompenzációs elven működik, biztosítva a pontos hőmérsékletmérést széles tartományban. Kifejezetten előlapi (panelre szerelhető) alkalmazásokhoz tervezték, U-bilinccsel történő rögzítéssel, ami stabil és biztonságos beépítést tesz lehetővé. A készülék két fő méretben és tokanyag-kombinációban érhető el, hogy megfeleljen a különböző telepítési követelményeknek.

A bimetál kompenzáció biztosítja, hogy a műszer a környezeti hőmérséklet-ingadozásoktól függetlenül pontosan jelezze a mért közeghőmérsékletet. A standard pontosság ±2%, de igény szerint választható magasabb pontosságú változat is.

Előnyök és Alkalmazási Területek
  • Megbízható Működés: A bimetál technológia hosszú élettartamot és stabil teljesítményt biztosít.

  • Egyszerű Telepítés: Az előlapi rögzítéshez optimalizált kialakítás és a mellékelt U-bilincs gyors és biztonságos beépítést tesz lehetővé.

  • Jól Leolvasható Kijelző: Nagy méretű skálák és átlátszó plexi/üveg ablak biztosítja a könnyű leolvasást.

  • Sokoldalú Opciók: Számos testreszabási lehetőség áll rendelkezésre a speciális igények kielégítésére.

Műszaki Adatok és Specifikációk

A hőmérő két fő kivitelben kapható, eltérő tok- és skálaméretekkel.

Jellemző 1072×72/60 KB Kivitel 1096×96/80 KB Kivitel
Cikkszám 02.07 (Bimetál kompenzációval) 02.07 (Bimetál kompenzációval)
Tok anyaga ABS, fekete Acéllemez, korrózióvédelemmel
Ablak anyaga Plexi / Üveg Plexi / Üveg
Előlapi gyűrű Krómozott Krómozott
Pontosság (Standard) ± 2 % ± 2 %
Méretek (a x b x c x d x D x e) 30 x 45 x 8 x 60 x 72 x 16 [mm] 30 x 45 x 6 x 80 x 96 x 16 [mm]
Rögzítés Előlapi, U-bilinccsel Előlapi, U-bilinccsel
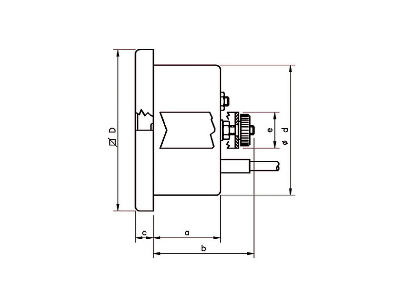
Részletes Méretezési Paraméterek (mm-ben)

A táblázatban szereplő betűk a műszer geometriai méreteit jelölik:

  • a: A rögzítőfuratok közötti távolság (vagy a beépítési mélységre utaló érték).

  • b: A rögzítőelemek szélessége/pozíciója.

  • c: A tok vastagsága vagy a rögzítőelem mérete.

  • d: A mérőcső hossza (a beépítési mélységre utaló érték).

  • D: A skála átmérője vagy a műszer külső mérete.

  • e: A csatlakozó/érzékelő elem hossza.

Konkrét méretek:

  • 1072×72/60 KB: a=30, b=45, c=8, d=60, D=72, e=16

  • 1096×96/80 KB: a=30, b=45, c=6, d=80, D=96, e=16

Testreszabási Lehetőségek (Opcionális Kiegészítők)

A standard kivitel mellett számos opció áll rendelkezésre a felhasználói igények maximális kielégítésére:

  1. Hátsó Beállítás (Back Adjustment): Lehetővé teszi a műszer kalibrálását vagy finomhangolását a műszer hátoldalán keresztül, anélkül, hogy a kijelzőt meg kellene bontani.

  2. Növelt Pontosság: A standard ±2% helyett választható ±1% vagy ±1,5% pontosságú kivitel, kritikus mérési feladatokhoz.

  3. Húzómutató (Drag Pointer): Egy kiegészítő mutató, amely a maximális mért értéket jelöli, és kézzel visszaállítható. Ideális a csúcsértékek monitorozására.

  4. Egyedi Skála (Customized Dial): Lehetőség van egyedi skálázás, színezés vagy logó elhelyezésére a mérőfelületen. Ez magában foglalhatja a speciális mértékegységek feltüntetését vagy a kritikus tartományok kiemelését színes zónákkal.

Kapcsolódó Kiegészítők és Tartozékok

A mérés pontosságának és a rendszer rugalmasságának növelése érdekében a következő kiegészítők (melyek külön rendelhetők) javasoltak:

Hosszabbító Csövek (Kapillárisok)

A hőmérő érzékelőjét (szondáját) a mérési ponttól távolabbra helyezheti el a különböző anyagú és kialakítású kapilláris csövek segítségével:

  • Rozsdamentes Acél (V-Stahl): Rendkívül ellenálló, natúr kivitel.

  • Réz – Egyszeres Fonott (Capillary Cooper- Single Cooper Braided): Jó mechanikai védelem.

  • Réz – Dupla Fonott (Capillary Cooper- double copper braided): Maximális mechanikai védelem a kapilláris számára.

  • Réz – PVC Bevonattal (Capillary Copper- PVC coated): Különösen alkalmas nedves vagy korrozív környezetbe.

Szondatípusok (Érzékelők)

A hőmérőhöz különböző geometriájú és kialakítású szondák csatlakoztathatók, amelyek a mérés helyéhez igazodnak:

  • 1. Típus (1a, 1b, 1c): Alapvető szondakialakítások.

  • 2. Típus (2a, 2b, 2c): Speciális rögzítési vagy beépítési igényekhez.

  • 3. Típus (3a, 3b, 3c): További variációk a beépítési mélységre.

  • 4. Típus (4a, 4b, 4c): Egyedi kialakítású érzékelők.

  • 5. Típus (5a, 5b, 5c): Speciális hőátviteli jellemzőkkel.

  • 6. Típus (6a): Egyedi szondakialakítás.

  • 7. Típus (7c, 7.1): További speciális szondavariánsok.

Zsebek (Hőmérőhüvelyek)

A mérőfolyadék vagy a rendszer védelme érdekében hőmérőzsebek használata javasolt, amelyek lehetővé teszik a műszer cseréjét anélkül, hogy a rendszert le kellene állítani:

  • 8. Zseb (No. 8): Standard védőhüvely.

  • 9. Zseb (No. 9): Alternatív méretű vagy kialakítású védőhüvely.

Ez a Leitenberger hőmérő kiváló választás minden olyan ipari szegmens számára, ahol megbízható, pontos és könnyen telepíthető hőmérséklet-ellenőrzésre van szükség, különösen a hűtőtechnika, az épületgépészet és az általános ipari méréstechnika területén.

Kapcsolódó termékek

Kézi Áttöltő Pumpa Dupla Csatlakozóval és Alaplemezzel HAP 3000_F

Elektromechanikus hőmérséklet-szabályozó előlapi beépítéshez (bimetál kompenzáció nélkül, kapcsolási pont hátulról állítható)

Hőmérő Rozsdamentes Acél Tokban, Felületi Rögzítéshez, Hátlappal (Cikkszám: 02.41)

Elektromechanikus hőmérséklet-szabályozó előlapi beépítéshez (bimetál kompenzáció nélkül)

Elektromechanikus hőmérséklet-szabályozó – NÉGYZETES (bimetál kompenzáció nélkül)

Hőmérő Fémlemez Tokban Felületre Szereléshez Hátlappal

Kapszulás Nyomásmérő Óra Patentos Ablakkal, Rozsdamentes Acél KFM Klips

Nyomásmérő Órák MG6H/MG8H/MG1H – Magas és Alacsony Nyomású Kivitel Felületi Rögzítéssel

Hőmérő Fémlemez Tokban Előlapi Beépítéshez U-Bilincses Rögzítéssel