+36 30 487 9066

info@met-industry.hu

Leitenberger Hőmérő Acéllemez Tokban, Előlapi Rögzítéssel és 3-Lukas Előlapi Peremmel

Acéllemez tokos Leitenberger hőmérő 3-lyukú peremmel, előlapi rögzítésre tervezve. Megbízható műszeripari megoldás.

Leírás

További információk

Leitenberger Hőmérő Acéllemez Tokban, Előlapi Rögzítéssel és 3-Lukas Előlapi Peremmel

Ez a részletes termékleírás a Leitenberger 02.39 cikkszámú, előlapi rögzítésre tervezett, acéllemez tokos hőmérőjét mutatja be, amely ideális ipari és hűtési alkalmazásokhoz. A készülék kiváló pontosságot és megbízhatóságot nyújt, német minőségben („quality made in Germany”).

Általános Leírás és Főbb Jellemzők

Ez a bimetál kompenzáció nélküli hőmérő a precíz hőmérsékletmérésre fókuszál, különösen olyan rendszerekben, ahol a beépített kompenzáció nem szükséges vagy nem kívánatos. A robusztus kialakítás és a minőségi anyagok garantálják a hosszú élettartamot és a megbízható működést még igényes környezetben is.

A készülék főbb jellemzői közé tartozik az ± 3%-os pontosság, az korrózióvédelemmel ellátott acéllemez tok és az előlapi rögzítés lehetősége a 3-lyukas peremnek köszönhetően. A hátoldali beállítási lehetőség finomhangolást tesz lehetővé a telepítés után.

Főbb Előnyök:
  • Német Minőség: Megbízható, precíz gyártás.

  • Robusztus Kivitel: Acéllemez tok korrózióvédelemmel.

  • Egyszerű Telepítés: Előlapi rögzítés 3-lyukas peremmel.

  • Hátoldali Finomhangolás: Lehetővé teszi a mérés utólagos kalibrálását.

  • Sokoldalú Opciók: Számos testreszabási lehetőség áll rendelkezésre.

Műszaki Adatok és Kivitel

A hőmérő különböző méretekben és kivitelben érhető el, hogy megfeleljen a legkülönfélébb beépítési követelményeknek. A műszer alapvető típusa a 02.39, amely bimetál kompenzáció nélkül kerül forgalomba.

Alapvető Specifikációk
Jellemző Érték Megjegyzés
Cikkszám 02.39 Bimetál kompenzáció nélkül
Pontosság ± 3 % A mérési tartományra vonatkozóan
Tok Anyaga Acéllemez Korrózióvédelemmel ellátva
Ablak Anyaga Üveg (Standard) 1100 F/fs típus esetén MAKROLON®
Előlapi Perem INOX polírozott vagy krómozott Opcionálisan választható
Beállítás Hátoldali beállítás A mérés finomhangolásához
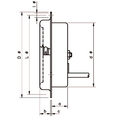
Méretezési Táblázat

A következő táblázat részletezi a különböző modellek (típusok) fizikai méreteit. A méretek a következők:

  • a: A perem átmérője (mm)

  • b: A rögzítőfuratok közötti távolság (mm)

  • c: A rögzítőfurat átmérője (mm)

  • d: A beépítési mélység (mm)

  • D: A tok átmérője (mm)

  • I: A beépítési átmérő (mm)

  • L: A szondahossz (mm)

Típus a (mm) b (mm) c (mm) d (mm) D (mm) I (mm) L (mm)
1052 F/fs 24 3,5 3 55 80 4,2 74
1060 F/fs 15 9 0,5 60 80 4,2 74
1080 F/fs 13 12 0,5 80 105 4,2 96
1100 F/fs 30 8 0,75 102 132 4,5 116

Megjegyzés: Az „F/fs” jelölés az ablak anyagára utalhat (pl. 1100 F/fs esetén MAKROLON®).

Testreszabási Lehetőségek (Opcionális Kiegészítők)

A Leitenberger rugalmas megoldásokat kínál a felhasználói igények kielégítésére, amelyek a standard modellhez kiegészíthetők:

  • Egyedi Skála: Lehetőség van a skála testreszabására, beleértve a színes jelöléseket is, ami segíti a gyors vizuális leolvasást kritikus tartományokban.

  • Plexiglas Ablak: A standard üveg helyett plexiglas (akril) ablak választható, ami nagyobb ütésállóságot biztosít bizonyos alkalmazásokban.

  • Előlapi Perem Kivitel: A perem választható polírozott rozsdamentes acél (INOX) vagy krómozott kivitelben.

Alkalmazási Területek

Ez a típusú hőmérő kiválóan alkalmas olyan ipari és technológiai területeken, ahol megbízható, panelbe építhető hőmérséklet-ellenőrzésre van szükség, különösen:

  1. Hűtőtechnika: Hűtőberendezések, klímarendszerek nyomás- és hőmérséklet-ellenőrzése.

  2. Ipari Mérnöstechnika: Gyártósorok, folyamatirányítási rendszerek hőmérsékletének monitorozása.

  3. Fűtési és Napkollektor Rendszerek: Bár a kézi szivattyúk kategóriájába tartozó kiegészítők is elérhetők, ez a hőmérő ideális a rendszerek hőmérsékletének fix pontú mérésére.

Kapcsolódó Kiegészítők

A precíz mérés és a rendszerintegráció érdekében a Leitenberger széles választékot kínál a hőmérőkhöz illeszkedő kiegészítőkből, amelyek a mérés pontosságát és a beépítés rugalmasságát növelik:

Kapilláris Csövek (Különböző Kivitelben)

A hőmérő érzékelőjének és a mérési pontnak a szétválasztásához elengedhetetlenek a különböző anyagú és burkolatú kapilláris csövek:

  • Rozsdamentes Acél (V-Stahl): Nagy mechanikai szilárdságot biztosít.

  • Réz – Egyszerűen Fonott (CU- single cooper braided): Jó ár-érték arányú, alapvető védelemmel.

  • Réz – Duplán Fonott (Cu- double copper braided): Fokozott mechanikai védelem.

  • Réz – PVC Bevonattal (Cu-PVC coated): Kiváló védelem nedves vagy korrozív környezetben.

Védőhüvelyek (Zoknik)

A hőmérő szondájának védelmére és a nyomásálló beépítésre szolgálnak:

  • 8-as Típusú Zokni (No. 8): Standard méretű védőhüvely.

  • 9-es Típusú Zokni (No. 9): Alternatív méretű védőhüvely.

Ezek a kiegészítők biztosítják, hogy a hőmérő a legszélsőségesebb üzemi körülmények között is hosszú távon, pontosan működjön. A termékcsalád a hűtőtechnikai és ipari méréstechnikai igények professzionális kielégítésére lett optimalizálva.

Kapcsolódó termékek

Kapilláris Cső Egyszeres Rézfonattal

Nyomásmérők MG6F/MG8F/MG1F – Precíziós Hűtőtechnikai Megoldások

Hőmérő ABS Tokban – Négyzetes Kialakítás – Előlapi Rögzítéshez U-bilinccsel

LEITENBERGER 1-es Típusú Hőszonda

Napkollektoros kézi töltőpumpa (HAP 21_SOL)

Smart Pressure Gate ventilátorvezérléssel – 4..20 mA (SPG 901_003)

Kapszulás Nyomásmérő Óra – Bajonett Típusú KFM_Bajo

Hőmérő Acéllemez Tokban Előlapi Rögzítéshez U-Bilinccsel

Palackállvány (Bottle Trolley)