+36 30 487 9066

info@met-industry.hu

Thermometer in Steel Sheet Case for Front Panel Mounting with U-Clamp

Leitenberger bimetal thermometer in sheet metal casing, with U-clamp front mounting. For precise temperature measurement.

Description

Additional information

Leitenberger Thermometer in Sheet Metal Casing, With Front Mounting and U-Clamp Fixing (Part No.: 02.01)

This detailed product description refers to the Leitenberger thermometer, part number 02.01, housed in a sheet metal case, designed for front mounting, equipped with bimetallic compensation and fastened with a U-clamp. The product is manufactured in the spirit of German quality and precision, ideal for industrial and refrigeration technology applications where reliable temperature measurement is required.

General Description and Key Features

The model 02.01 thermometer is a robust instrument specifically optimized for panel installation and allows for fastening using a U-clamp. It operates on the principle of bimetallic compensation, ensuring accurate and stable readings across a wide temperature range. The device is excellently suited for environments where temperature monitoring is critical.

Main Advantages:

  • Bimetallic Compensation: The integrated bimetallic element ensures the accuracy of the temperature measurement even against ambient temperature fluctuations.

  • Robust Design: The corrosion-protected steel sheet casing guarantees a long service life, even in demanding industrial conditions.

  • Egyszerű Telepítés: Design optimized for front mounting and U-clamp fastening, enabling quick and secure installation.

  • German Quality: The „Made in Germany” quality seal ensures reliability and precise workmanship.

Technical Data and Specifications

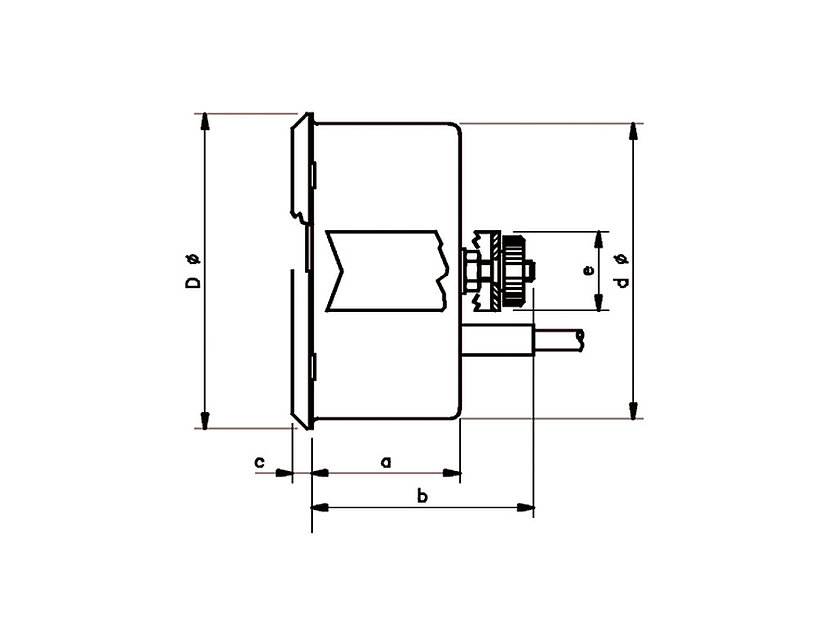
The technical specifications of the thermometer are presented below in a tabular format, highlighting the different size variations:

Típus a (mm) b (mm) c (mm) D (mm) e (mm) Housing Material Window Material
1052 KB 30 50 4 52 56 16 Stainless steel, with corrosion protection
1060 KB 30 50 4 60 64 16 Stainless steel, with corrosion protection
1080 KB 30 50 4 80 84 16 Stainless steel, with corrosion protection
1100 KB 30 50 4 100 105 16 Stainless steel, with corrosion protection
1160 KB 30 50 4 160 168 16 Stainless steel, with corrosion protection

Basic Specifications:

  • Part number: 02.01 (With Bimetallic Compensation)

  • Accuracy: Default Accuracy ± 2 %

  • Casing: Steel sheet, corrosion protected

  • Window: Glass (For model 1100 KB, a window made of MAKROLON® material is also available)

  • Front Ring: Chrome-plated

Customization Options (Optional Accessories)

In addition to the standard design, numerous options are available to maximize adaptation to user requirements:

  • Back Adjustment: Allows for subsequent calibration or fine-tuning of the instrument via the back side.

  • Increased Accuracy: Available accuracy levels: ±1 % or ±1.5 %. This can be critical for processes requiring high precision.

  • Drag Pointer: An auxiliary indicator that registers the highest measured value, helping to track maximum temperature peaks.

  • Custom Scale and Dial: Possibility to customize the dial face, including colored scales, which visually aids in quick reading and distinguishing zones.

  • Plexiglass Window: Using plexiglass (MAKROLON) instead of standard glass provides greater impact resistance.

  • Front Ring Variations: Instead of the chromed front ring, a black version or a stainless steel ring is also available, which can increase chemical resistance or serve aesthetic preferences.

Application Areas

The Leitenberger 02.01 series thermometer is the ideal choice in the following areas:

  1. Refrigeration technology: Reliable monitoring of the temperature of air conditioning systems, refrigeration units, and cold counters.

  2. Industrial Mechanical Engineering: Continuous temperature monitoring of production lines, furnaces, and heat treatment systems.

  3. Solar Energy Systems: Collection of temperature data necessary for optimizing heat transfer in solar systems.

  4. General Mechanical Engineering: Any mechanical application where built-in, precise temperature indication is essential.

Related Accessories

To extend the measurement range and increase system flexibility, the following accessories (likely frequently chosen products by customers) are available:

Flexible Tubes (Capillaries):

  • Stainless steel (V-Stahl) – Natural finish

  • Copper (Cooper) – With single copper braid

  • Copper (Cooper) – With double copper braid

  • Copper – With PVC coating

Temperature Probes (Probes):

    1. Type (1a, 1b, 1c)
    1. Type (2a, 2b, 2c)
    1. Type (3a, 3b, 3c)
    1. Type (4a, 4b, 4c)
    1. Type (5a, 5b, 5c)
    1. Type (6a)
  • Type 7c

  • Type 7.1

Pockets:

    1. Pocket
    1. Pocket

These accessories enable the installation of the thermometer into pipes and tanks of various sizes and materials, ensuring the optimal placement of the temperature sensing element in the measured medium.

The Leitenberger 02.01 model offers a perfect combination of reliability, precision, and customizability in the field of industrial temperature measurement.

Related products

Probe Type 2

Electromechanical temperature controller for front panel installation (without bimetal compensation)

Hand Transfilling Pump with Double Connector and Baseplate

Electromechanical temperature controller for front panel installation (with bimetal compensation)

Digital Thermometer LTM 1212

Thermometer in Steel Sheet Case for Front Panel Mounting with 3-Hole Front Flange

Hand Sucking Pump

Pressure Gauges MG6H/MG8H/MG1H

Thermometer in ABS housing – Rectangular – with integrated spring clips