+36 30 487 9066

info@met-industry.hu

Electromechanical temperature controller - QUADRATIC - (without bimetal compensation, switching point adjustable from the rear)

Square electromechanical temperature controller without bimetallic compensation, with rear-adjustable switching point. Demanding temperature control.

Description

Additional information

Electromechanical Temperature Controller – QUADRATIC – Without Bimetallic Compensation, With Rear-Adjustable Switching Point

The Leitenberger electromechanical temperature controller is the ideal solution for the most demanding temperature control tasks. This robust device ensures precise temperature control without bimetallic compensation and features a rear-adjustable switching point. The stainless steel construction and transparent glass panel guarantee durability and reliability in industrial environments. The „Made in Germany” quality assurance guarantees a long service life and precise operation.

This model, with item number 04.75 (remote thermostat without bimetallic compensation), is excellently suited for industrial applications where reliable and precise temperature monitoring is critical.

Key Features and Technical Data

The Leitenberger QUADRATIC thermostat is designed to withstand harsh operating conditions while providing maximum precision.

Construction and Materials
  • Housing: Stainless steel housing, which provides excellent corrosion resistance.

  • Locking mechanism: The device is mounted from the rear using a colored, galvanized plate clamp (the color of the mounting element may vary depending on the order).

  • Measuring Mechanism: Application of a double Bourdon tube spring measuring system, which ensures stable and accurate measurement.

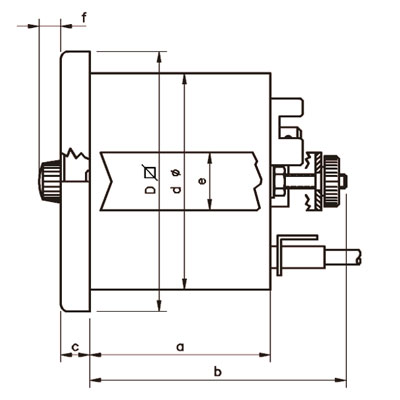
  • Display: The basic white dial has black lettering. The scale length is approximately 240 degrees, with graduations of 1°, 2°, 5°, or 10°, depending on the set measuring range.

  • Switching Element: Single-pole changeover contact (SPDT), which is not equipped with a rotary knob. A cover protects the terminals.

Temperature Range and Accuracy

This model offers outstanding flexibility in setting the measuring range:

  • Measurement Range: Individually adjustable according to customer requirements -80°C and +380°C between.

  • Accuracy Class: Class 2 according to DIN 16203 standard.

Protection and Safety

The device's protection rating ensures reliable operation in various environments:

  • Protection Class (IP):

  • Housing: IP 53 (dust protected, protected against splashing water).

  • Connectors: IP 00 according to DIN 60529.

  • Extended Protection: The degree of protection by using the optional cover that can be placed over the connectors IP 55can be increased to (protected against dust ingress, protected against low-pressure water jets).

  • Inductive Loads: For protection against switching overvoltages occurring when switching inductive loads RC element is recommended for suppressing sparking.

Optional Configurations

In addition to the standard model, Leitenberger offers further customization options:

  • Factory Fixed Switching Point: The switching point can be set at the factory, in which case the possibility of later adjustment is eliminated.

  • Fixing the Maximum Adjustment Value: Installation of a fixed spacer at the maximum settable value.

Application Areas

The QUADRATIC thermostat with a non-bimetallic compensated, rear-adjustable switching point is the ideal choice in the following areas:

  1. Refrigeration technology: Precise temperature monitoring in cold rooms and industrial refrigeration systems where ambient temperature fluctuations must not influence the measurement (due to lack of compensation).

  2. Industrial Mechanical Engineering: Process control and monitoring in machines and equipment where reliable electrical switching signals are required upon reaching a specified temperature threshold.

  3. Heating and Heat Treatment Systems: Applications where temperature regulation must adapt directly to the process temperature, without external temperature correction.

Technical Specifications Summary

Parameter Spezification Note
Product Type Electromechanical Temperature Regulator Remote Sensing Thermostat
Part number 04.75 Bimetal compensation excluded
Switching Point Adjustment Rear-adjustable Standard version
Housing Material Stainless steel High durability
Metering System Double Bourdon tube spring Precise operation
Measurement Range from -80°C to +380°C Customer-specific setting
Pontosság Class 2 (DIN 16203) Complies with standard
Contacts 1 pc single-pole changeover contact (SPDT) No rotary knob
Housing Protection IP 53 Connectors IP 00 (with IP 55 option)
Scale Length approx. 240° Good readability

Leitenberger is committed to excellent quality measuring and control technology. This thermostat is the result of German engineering, guaranteeing long-term, trouble-free operation even in the most critical industrial processes.

Related products

Thermometer in Inox-Case for Front Panel Mounting with U-Clamp

Thermometer in Steel Sheet Case for Front Panel Mounting with U-Clamp

Room Thermostat RTS 01

Transfilling Pump HAP 21 Master Kit

Electromechanical temperature controller for front panel installation (with bimetal compensation)

Thermometer in ABS case - Rectangle / Oval - with integrated spring clips

Flexible Tube

Electromechanical temperature controller for front panel installation (with bimetal compensation)

Electromechanical temperature controller for front panel installation (without bimetal compensation)